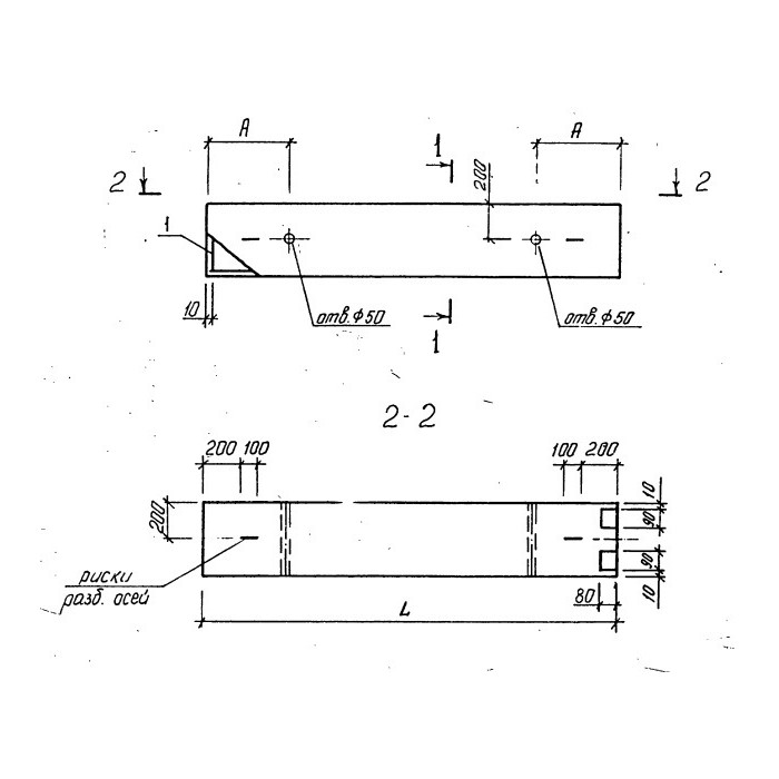
Колонна железобетонная 2КНД 48-48-5-40-00 представляет собой железобетонное изделие, выполненное по ГОСТ 3133-77. Колонна предназначена для использования в строительстве зданий и сооружений, обеспечивая необходимую несущую способность и устойчивость конструкции.
Колонна железобетонная 2КНД 48-48-5-40-00 применяется в строительстве различных объектов: от жилых домов и коттеджей до промышленных зданий и складов. Она используется для создания несущих конструкций, обеспечивая надежность и долговечность строения. Колонны данного типа широко применяются в строительстве благодаря своей простоте монтажа и высокой прочности.









